
江蘇冠裕流體設備有限公司
咨詢熱線:15961828396
產品咨詢:王經理
Q Q:2226554849
座機:0510-85139900
傳真:0510-85139902
網址:www.sybcdj.cn
地址:江蘇省無錫市新吳區干成路6號無錫中關村軟件園二期53棟
編輯:江蘇冠裕 發布日期:2022-03-31 14:34:21 瀏覽:0


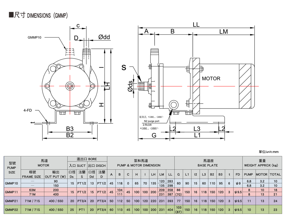
小型低溫輸送磁力泵具以下產品特點,無泄露,高可靠性,免維護,壽命長,高效節能,維護成本低,耐腐蝕無污染。泓川磁力泵結構簡單,出廠動平衡處理,使泵運行中出水穩定,噪音小,震動小,并部件不易磨損。
泓川金屬磁力泵可經EP處理.其表面粗糙度小于0.4μm,可用于衛生食品級及特化,半導體潔凈品輸送,不殘留污垢及便于清洗.
泓川金屬磁力泵耐低溫可達零下100℃,設計氮氣填充孔,防止低溫下外磁結冰,無軸封設計,零泄漏,安全耐用,可配防爆或變頻電機。



















